这款
光栅光纤应变传感器是为大坝,桥梁,岩土,钢构
应力应变监测设计的
光学应变传感器,广泛用于光纤应力应变传感测量,采用点焊可焊接到结构表面监测应力应变,安装简单方便,并且可立刻使用监测应力。
这款
光栅光纤应变传感器具有*高使用寿命和应力测量范围,即可以使用,也可以组成传感器列阵使用。
光栅光纤应变传感器还适合各种钢结构表面应变测量,这得益于传感器基底采用不锈钢材料,不仅保护光纤,还方便安装固定到各种钢构材料上。这款
光栅光纤应变传感器OS3150不具备温度补偿功能,如果需要温度补偿功能的应变传感器,请选择OS3155型号。
光栅光纤应变传感器安装使用
光栅光纤应变传感器OS3150两端的光纤尾纤采用铠装结构,这种结构可以与接头保护套一起使用,使用非常方便。即可以单*使用,也可以串联使用。
光栅光纤应变传感器you势
与电阻应变片传感器相比,这种
光栅光纤应变传感器OS3150具有*高的灵敏度和精度,量程*大,疲劳寿命*高,寿命是电阻应变片的100倍,并且适合各种恶劣环境使用。
光栅光纤应变传感器*点
可焊接安装或粘贴安装,安装快速方便
一条光纤可继承多个传感器
适合恶劣环境使用
光栅光纤应变传感器应用
结构健康监测(桥梁,大坝,隧道,建筑物,矿井,采油平台等)
能源领域(风力发电机,油井,管道,核反应堆,发电机等)
交通领域(铁路,火车,汽车等)
航空航天
光栅光纤应变传感器参数
应力灵敏度:~1.4pm/uε
传感器标距:75mm
工作温度范围:-40~80℃
测量应力极限:+/-2500uε
疲劳寿命:1000x10^6循环@+/-2000uε
重量:15g
材质:302不锈钢封装
尾纤长度:两端各1米+/-10厘米
光纤接口:SMF28-compatible
保护套类型:3mm铠装光纤光缆
连接头:可选
尾纤弯曲半径:>=17mm
安装方式:点焊
反射率:>70%
3dB带宽:0.25nm+/-0.05nm
隔离度:>15dB
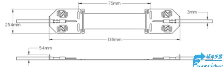
光栅光纤应变传感器OS3150结构尺寸图